Ürünler
210X250X20 Viton Yağ Keçesi
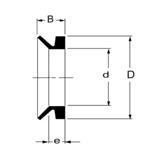
Ölçü: 210X250X20
Salmastra VITON’dan yapılmıştır ve bu nedenle özellikle ısıya ve kimyasallara dayanıklıdır. Şaftı ve bitişik yapıyı güvenilir şekilde sızdırmaz hale getirir. Girintili gergi yayı sıkı bir oturma sağlar.
| İç Çap Ø (mm): d | 210 |
|---|---|
| Dış Çap Ø (mm): D | 250 |
| Kalınlık (mm): B | 20 |
| Dudak Sayısı : | 2 |
| Sıcaklı Dayanıklılığı : | -40° ve +250° C |
| Malzeme Türü: | Viton (FKM) |
| Ürün Ağırlığı : | 0,980 Kg |
Category: Yağ Keçeleri
Description
Kullanım Alanları
- Hadde Merdane Milleri










