Ürünler
31313 URB Rulman
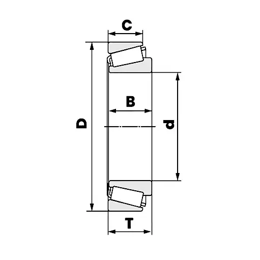
Ölçü: 65x140x36
Konik makaralı rulman, yuvarlanma elemanları olarak konik makaralara sahiptir. Radyal ve eksenel yönlerden gelen yüksek kombine yükler için uygundur. Ayrıca çiftler halinde X ve O düzenlenmesinde her iki tarafta eksenel yük taşıma kapasitesine sahiptir.
| Detaylı Bilgiler | |
|---|---|
| İç Çap Ø (mm): d | 65 |
| Dış Çap Ø (mm): D | 140 |
| Toplam Genişlik (mm): T | 36 |
| Dış Halka Genişliği (mm): C | 23 |
| İç Halka Genişliği (mm): B | 33 |
| Dinamik Yük : Cr | 164 |
| Statik Yük : Cor | 189 |
| Gres Yağı /Devir Hız Sınırı : [dk] | 2.200 |
| Sıvı Yağ /Devir Hız Sınırı : [dk] | 3.200 |
| Ürün Ağırlığı : | 2.25 Kg |
Kategoriler: 31300 Serisi, Konik Makaralı Rulmanlar, Rulmanlar











