Ürünler
SS UCP 204 Paslanmaz Yataklı Rulman
Ölçü: 20 mm
Ürünün teknik bilgileri aşağıda yer almaktadır.,

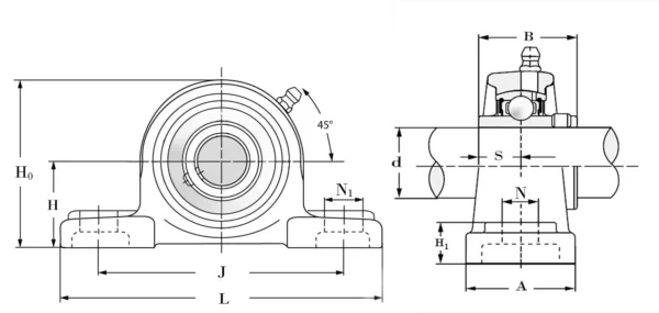
| Detaylı Bilgiler | |
|---|---|
| Mil Çapı Ø (mm): d | 20 |
| Mil Merkez Yüksekliği : H (mm) | 33.3 |
| Gövde Uzunluğu : L (mm) | 127 |
| Bağlantı Merkez Ölçüsü: J (mm) | 95 |
| Gövde Genişlik : A (mm) | 38 |
| Montaj Slot Genişliği : N (mm) | 13 |
| Montaj Slot Uzunluğu : N1 (mm) | 19 |
| Gövde Yükseklik : H1 (mm) | 15 |
| Toplam Yükseklik : H0 (mm) | 64 |
| Rulman Genişlik Ölçüsü : B (mm) | 31 |
| Rulman Merkez Ölçüsü : S (mm) | 12.1 |
| Dinamik Yük : [KN] | 12.82 |
| Statik Yük : [KN] . | 6.65 |
| Devir Hız Sınırı : Dev/dak. | 4.000 |
| Ürün Ağırlığı : Kg | 0.790 |
Kategoriler: Paslanmaz Yataklı Rulmanlar, Rulmanlar, SSUCP Serisi, Yataklı Rulmanlar
Aciklama
Kullanım Alanları
- Gıda Endüstrisi
- Deri işleme Tesisleri
- Kozmetik Dolum Makinaları
- Sıvı Dolum Makinaları
- Medikal Tıbbı Cihazlar
- Atık Su Arıtma Tesisleri










